Sound, Navi, Sitze, Verkleidungen etc.
von F3R_DD » Donnerstag 27. März 2014, 23:38
...deswegen ja auch die Diode, aber es half nichts.
Laguna 1 Ph. 1 Grandtour RXE, Baujahr 1998, 2.0 8V (F3R-768), Schaltgetriebe (JC5-054), Klimaautomatik,
nachgerüsteter original Tempomat, Radiosat6000 mit Aux-In-Umbau

-

F3R_DD
- Waschstraßendauergast

-
- Beiträge: 147
- Registriert: Freitag 12. April 2013, 14:51
von F3R_DD » Montag 31. März 2014, 09:12
Ich habe mir Hilfe im mikrocontroller.net-Forum geholt:
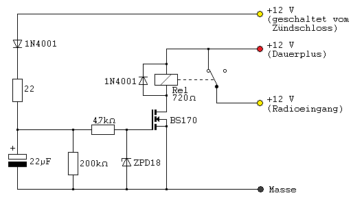
https://www.mikrocontroller.net/topic/328995Fazit: es klappt. 7...9 Sekunden lang hält das Relais, erst dann geht das Radio aus. Die Teile dafür kosten zwischen 5 und 6€ und wer einen Lötkolben hat, kriegt das locker alleine hin.
Laguna 1 Ph. 1 Grandtour RXE, Baujahr 1998, 2.0 8V (F3R-768), Schaltgetriebe (JC5-054), Klimaautomatik,
nachgerüsteter original Tempomat, Radiosat6000 mit Aux-In-Umbau

-

F3R_DD
- Waschstraßendauergast

-
- Beiträge: 147
- Registriert: Freitag 12. April 2013, 14:51
von Wir und Ralf » Montag 31. März 2014, 13:47
Sehr schön! Glückwunsch!
Ein Laguna Concorde 1.6 16V aus 11/1999 namens Ralf und eine inzwischen dreiköpfige Familie.
http://dermultiplepapa.wordpress.com/Dazu gekommen wie die Jungfrau zum Kind und das Auto gefällt mehr und mehr.
-

Wir und Ralf
- Waschstraßendauergast

-
- Beiträge: 128
- Registriert: Montag 19. August 2013, 15:58
- Wohnort: Friesland
von F3R_DD » Montag 31. März 2014, 14:33
...der Vollständigkeit halber hier noch der abschließende Schaltplan:

- Schaltung_V1-3.png (6.63 KiB) 10555-mal betrachtet
Laguna 1 Ph. 1 Grandtour RXE, Baujahr 1998, 2.0 8V (F3R-768), Schaltgetriebe (JC5-054), Klimaautomatik,
nachgerüsteter original Tempomat, Radiosat6000 mit Aux-In-Umbau

-

F3R_DD
- Waschstraßendauergast

-
- Beiträge: 147
- Registriert: Freitag 12. April 2013, 14:51
Zurück zu HIFI, Multimedia, Innenraum
Wer ist online?
Mitglieder in diesem Forum: 0 Mitglieder und 43 Gäste